Excel Fabry Perot page

ファブリーペロー縞の計算



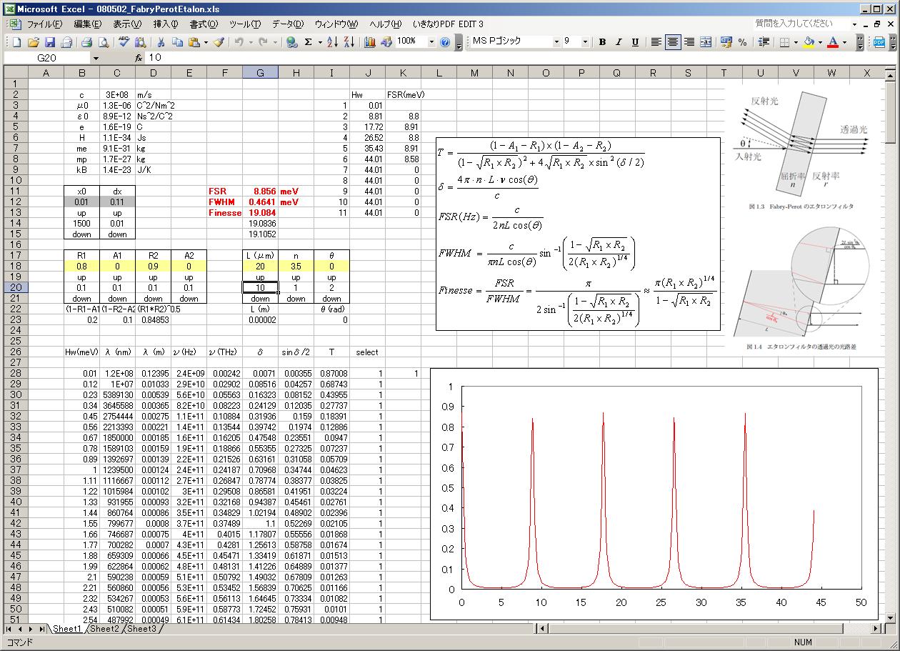
ExcelFabryPerot.xls

平行平板の透過率の周波数依存性を計算し、ファブリーペロー干渉縞をプロットします。

関数一覧
(エクセル標準)

SIN、COS : 三角関数
ASIN、ACOS : 逆三角関数
IF : 条件判定の関数
AND : 論理式のAND条件に相当する関数
LOOKUP : 検索値を元にして、別表を縦または横方向に検索し、値を取り出す関数


メソッド一覧
(自作VBA)

up : 数値を上げる
down : 数値を下げる


ExcelTopへ戻る